
Miniature Bearings Australia
GHK2540-2540-203 - Datasheet
ExaktKey
Category Information
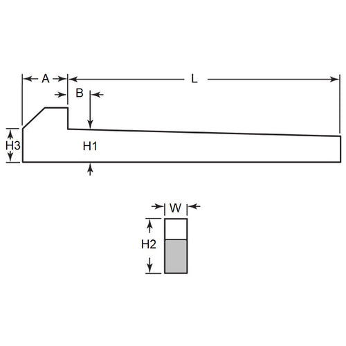
Keys - Gib Head - SteelSteel Gib Head Keys. Tapered 3.000 mm per 300 mm (1:100)
- An expanded range may be available on special order. Please enquire.
Product Data
- Nominal Key Height (H1)
:
25.400
mm
(Equiv. 1 in.) - Width (W)
25.400
mm
(Equiv. 1 in.) - Length (L)
203.2
mm
(Equiv. 8 in.) - Approx (B) 15.24
- Material Cold Finished Steel
Product Compliance and Data
Additional Resources
Cross References
- Huyett® GIB-1000-8000
- NoCor® GIB-1000-8000
- GIB10008000


