
Miniature Bearings Australia
REF-254-L-CB-318 - Datasheet
MBA
Category Information
Rod Ends - Female - Steel - Plain - Bronze LinedBronze Lined Plain Steel Female Rod Ends. Imperial and Metric / Carbon Steel. Also known as Heim Joints
- An expanded range may be available on special order. Please enquire.
- Dimensions not shown are available on request.
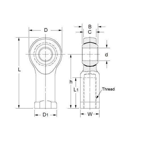
Product Data
- Eye Size (d1)
:
25.4
mm
(Equiv. 1 in.) - Overall Length (L)
143.50
mm
(Equiv. 5.65 in.) - Thread Size (T) 1.1/4-12 UNF Left
- Thread Length (l2) 55.30 mm
- Head Width (W) 25.40 mm
- Eye Width (W1) 34.90 mm
- Head Diameter (D) 67.00 mm
- Centre Height (l1) 110.00 mm
- Grease Nipple No
- Body Width/Flange Width(W2/D3) 38.10 / 47.00 mm
- Material Bronze Lined Steel
Product Compliance and Data
Additional Resources
Cross References
- ASAHI JAFB16L
- KWK KFB16L
- IKO PHSB16L
- Nachi PHSB-16L
- NTN SFI-B16L
- SFIB16L



