
Miniature Bearings Australia
LCHP-0254-071-TSS - Datasheet
MBA
Category Information
Linear - Thomson Super Smart Housings - Pillow Block ClosedPillow Block Closed Thomson Super Smart Housings Linear. Includes Bearings.
- Universally self-aligning bearing offers twice the load capacity or 8 times the travel life of our industry standard Super Ball Bushing® bearing. Standard single or twin pillow block.
Product Data
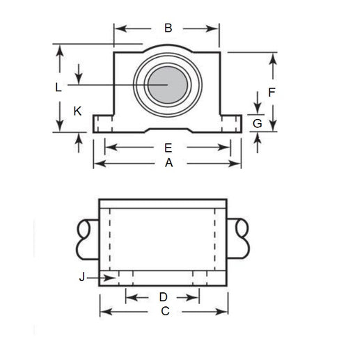
- Nominal Diameter
:
25.40
mm
(Equiv. 1 in.) - Widths (A x A2)
82.550 x 60.452
mm
(Equiv. 3.25 in.) - Length (B)
71.37
mm
(Equiv. 2.81 in.) - Bolt Distances (E x E1) 44.450 x 73.025 mm
- Height (H x H1) 30.150 x 55.626 mm
- Flange Height (F1) 9.65 mm
- Lube Hole Distance (G1 x G) 30.226 x 32.258 mm
- Bolt Dia. 5.59 mm
- Weight 0.56 Kg
- Dynamic Load Capacity 848 kgf
Product Compliance and Data
Additional Resources
Cross References
- Reid Tool® TLM-965
- QBC® TSS6UPB-16
- TLM965
- TSS6UPB16


