
Miniature Bearings Australia
LCHF-0254-071-TSS - Datasheet
MBA
Category Information
Linear - Thomson Super Housings - Smart FlangedSmart Flanged Thomson Super Housings Linear. Includes Bearings.
- Provides 3 times the load capacity or 27 times the travel life of conventional linear bearings. Installed into a housing.
- Increased load capacity, self-aligning, lightweight and adjustable with a low coefficient of friction.
- Quick and easy replacement for high friction plain bearings. Wear-resistant, engineered-polymer retainers and outer sleeves reduce inertia and noise in critical, high speed applications.
Product Data
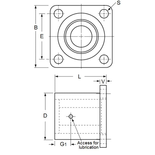
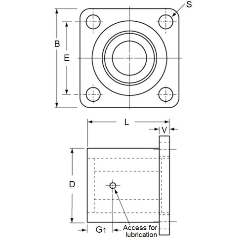
- Nominal Diameter
:
25.40
mm
(Equiv. 1 in.) - Flange Length and Width (B)
69.85
mm
(Equiv. 2.75 in.) - Bolt Distance and Dia. (S x E)
7.1 x 53.98
mm
(Equiv. 0.28 in.) - Length (L) 71.37 mm
- Width (D) 57.15 mm
- Flange Height (V) 12.70 mm
- Lube Hole Distance (G1) 32.26 mm
- Type Single
- Weight 0.47 Kg
- Dynamic Load Capacity 848 kgf
Product Compliance and Data
Additional Resources
Cross References
- QBC TSS6UFB-16
- TLM-1215
- TLM1215
- TSS6UFB16


