
Miniature Bearings Australia
DT-131RS - Datasheet
MBA
Category Information
Linear - Slide Assemblies - Cross RollerCross Roller Slide Assemblies Linear. Higher load capacity than precision ball slide assemblies. High cycling rates. Tolerant of shock and overhanging loads.
- Accuracy of 0.00254mm per 25.4mm of travel. Repeatability 0.00254mm
- Not as naturally cleaning as ball slides. A good choice for environments protected from dust, and when heavy loads are a consideration.
- Positive stops prevent over-travel. Rollers improve capacity 8-10 times that of balls. Alternately crossed rollers handle force in any direction.
- Lightweight aluminium carriage and base. Interchangeable with many types of ball slides. Four tapped carriage holes and two counter bored base holes simplify installation and component mounting.
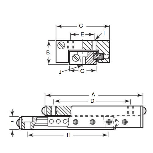
Product Data
- Travel
:
25.40
mm
(Equiv. 1 in.) - Load Capacity 59.87 Kg
- A
50.800
mm
(Equiv. 2 in.) - B 19.050 mm
- C 44.450 mm
- D 34.925 mm
- E 22.225 mm
- F 10.160 mm
- G 22.225 mm
- H 41.275 mm
- I and J 6-32 UNC (3.5mm) mm
Product Compliance and Data
Additional Resources


