
Miniature Bearings Australia
RPO-253-255-C - Datasheet
MBA
Category Information
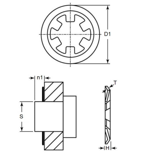
Retaining Rings - Push On - Carbon SteelCarbon Steel Push On Retaining Rings. M1465 / DTX / Seeger ZA and KS.
- An expanded range may be available on special order. Please enquire.
- Thrust load shown is calculated for ideal conditions with mild steel shaft.
- If no thrust load is shown, testing is suggested.
Product Data
- Min shaft size (s1)
:
25.35
mm
(Equiv. 0.998 in.) - Max Shaft Size (s2)
25.45
mm
(Equiv. 1.002 in.) - Outside diameter (D1)
31.75
mm
(Equiv. 1.25 in.) - Min shaft extension (n1) 1.52 mm
- Material Thickness (t) 1.52 mm
- Material Carbon Steel
Product Compliance and Data
Additional Resources
Cross References
- Waldes 5105-100
- IRR 6100-100
- 98430A156
- Small Parts RSE-16
- RotorClip TX-100
- NoCor TY-100
- Rotor Clip TY-100
- N14650100
- N1465-0100
- N1465-0100APP
- N14650100APP
- TX100
- TY100
- RSE16
- 6100100
- 5105100



