
Miniature Bearings Australia
REF-250-L-CB-240 - Datasheet
MBA
Category Information
Rod Ends - Female - Steel - Plain - Bronze LinedBronze Lined Plain Steel Female Rod Ends. Imperial and Metric / Carbon Steel. Also known as Heim Joints
- An expanded range may be available on special order. Please enquire.
- Dimensions not shown are available on request.
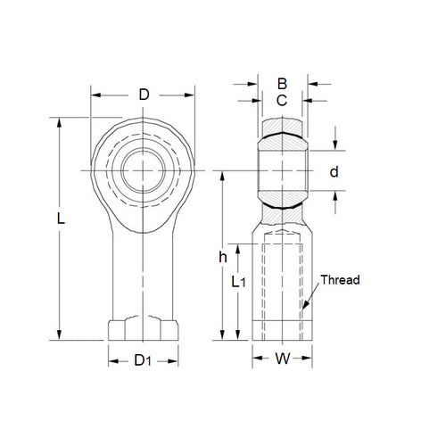
Product Data
- Eye Size (d1)
:
25
mm
(Equiv. 0.984 in.) - Overall Length (L)
122.00
mm
(Equiv. 4.803 in.) - Thread Size (T) M24x2 Left
- Thread Length (l2) 48.00 mm
- Head Width (W) 22.00 mm
- Eye Width (W1) 31.00 mm
- Head Diameter (D) 56.00 mm
- Centre Height (l1) 94.00 mm
- Grease Nipple Yes
- Body Width/Flange Width(W2/D3) 36.00 / 42.00 mm
- Material Bronze Lined Steel
Product Compliance and Data
Additional Resources
Cross References
- ASAHI® JAF25L
- KWK KF25L
- IKO PHS25L
- Nachi® PHS-25L
- NTN® SFI-25L
- SFI25L


