
Miniature Bearings Australia
GE-24000-34000-ST-OH-W - Datasheet
MBA
Category Information
Bushings - Spherical - Steel - With Oil Hole and Wiper SealWith Oil Hole and Wiper Seal Steel Spherical Bushings. Steel spherical plain bearings. Also known as ball bushings.
- Compensates for axial loads and misalignment.
Product Data
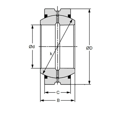
- Bore (d1)
:
240.000
mm
(Equiv. 9.449 in.) - OD (d2)
340.000
mm
(Equiv. 13.386 in.) - Width (B)
140.000
mm
(Equiv. 5.512 in.) - Outer Width (C) 100.00 mm
- Dynamic Load Capacity 300000 kgf
- Static Load Capacity 1800000 kgf
- Features With Wiper Seals / With Oil Hole
- Material Steel
Product Compliance and Data
Additional Resources
Cross References
- Nachi GE-240ES-2RS
- IKO GE240ES-2RS
- Nachi GE-240ES-RS
- IKO GE240ES-RS
- GE240ESRS
- GE240ES2RS



