
Miniature Bearings Australia
SP1-031-015B-024-064-AB - Datasheet
MBA
Category Information
Sprockets - Roller Chain - Simplex - 3.12 x 1.47mm Plastic3.12 x 1.47mm Plastic Simplex Roller Chain Sprockets. Nylon - Acetal - With and without bore inserts.
- This category will be discontinued when the remaining items are sold.
- All items are priced to quit.
- Backorders or orders for previously listed items in the category may still be possible - please enquire.
- Match with series 3.12mm miniature plastic chain
Product Data
Deleted Item. Available while stocks last.
Please contact us first if you wish to use this item in a new design so we can check whether production can be resumed.
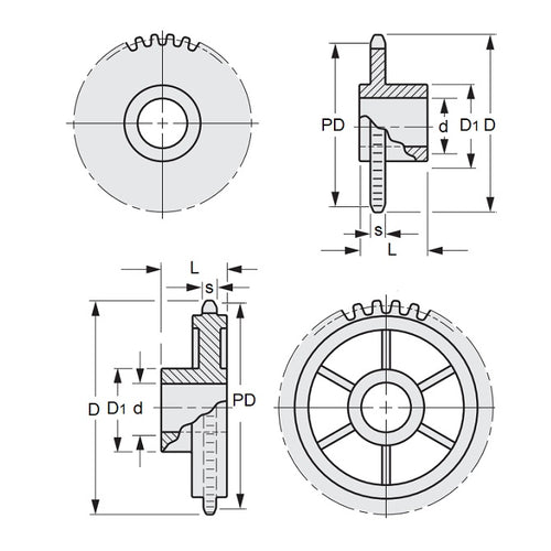
- Number of Teeth : 24
- PCD
23.80
mm
(Equiv. 0.937 in.) - Hub Diameter (D1)
9.53
mm
(Equiv. 0.375 in.) - Overall Width (E) 7.95 mm
- Standard Number Non Standard
- Type / Rows Type 2
- Bore (d) 6.350 mm
- Locking Method No Locking
- Material Acetal
Product Compliance and Data
Additional Resources
Cross References
- 6420K792
- A 6M 7-122408
- A6M7122408
- A6M7-122408


