
Miniature Bearings Australia
MLM-159C-051-S3NP-I - Datasheet
MBA
Category Information
Mounts - Levelling Studded - Industrial - Nylon Padded - 303 Stainless303 Stainless Nylon Padded Industrial Levelling Studded Mounts. Levelling adjusters. These industrial glides are an excellent and inexpensive solution for light duty applications such as office furniture, shelving, point of sale displays, cabinetry and small machinery.
- An expanded range may be available on special order. Please enquire.
 - 303 Stainless Steel
 - Nylon pad for glide applications
 
Product Data
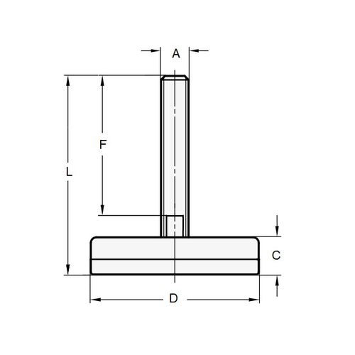
- Thread Size (A) : 5/8-11 UNC (15.88mm)
 - Base Diameter (D) 
71.1
mm
(Equiv. 2.799 in.) - Thread Length (F) 50.8 mm
 - Base Height (E) 27.0 mm
 - Overall Height (L) 77.79 mm
 - Load Rating 230 Kg
 - Pad Material Nylon
 - Material Stainless Steel
 
Product Compliance and Data
Additional Resources
Cross References
- GL-230
 - GL230
 - MLM0230159C071S3N
 - MLM0230051159CS3N
 


