
Miniature Bearings Australia
MLM-127C-051-CRP-I-071 - Datasheet
MBA
Category Information
Mounts - Levelling Studded - Industrial - Rubber Padded - SteelSteel Rubber Padded Industrial Levelling Studded Mounts. Levelling adjusters. These industrial mounts are an excellent and inexpensive solution for light duty applications such as office furniture, shelving, point of sale displays, cabinetry and small machinery.
- An expanded range may be available on special order. Please enquire.
 - Clear zinc plated steel
 - Elastomer pad for non skid applications.
 
Product Data
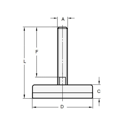
- Thread Size (A) : 1/2-13 UNC (12.7mm)
 - Base Diameter (D) 
71.1
mm
(Equiv. 2.799 in.) - Thread Length (F) 50.8 mm
 - Base Height (E) 27.0 mm
 - Overall Height (L) 77.79 mm
 - Load Rating 230 Kg
 - Finish Clear Zinc
 - Pad Material Elastomer
 - Material Steel
 
Product Compliance and Data
Additional Resources
Cross References
- GL-135
 - GL135
 - MLM0230127CCRA
 


