
Miniature Bearings Australia
SP1-095-057B-023-120-AW - Datasheet
MBA
Category Information
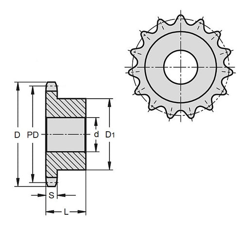
Sprockets - Roller Chain - Simplex - 06B - With Boss - PlasticPlastic With Boss 06B Simplex Roller Chain Sprockets. Nylon - Acetal - With and without bore inserts.
- This category will be discontinued when the remaining items are sold.
- All items are priced to quit.
- Backorders or orders for previously listed items in the category may still be possible - please enquire.
- Match with series 9.53x5.7mm steel chain (06B BS)
- British Standard 06B - 3/8 inch
Product Data
Deleted Item. Available while stocks last.
Please contact us first if you wish to use this item in a new design so we can check whether production can be resumed.
- Number of Teeth : 23
- PCD
69.71
mm
(Equiv. 2.744 in.) - Hub Diameter (D1)
32.00
mm
(Equiv. 1.26 in.) - Overall Width (E) 20.00 mm
- Standard Number 06B-1
- Type / Rows Type 3
- Bore (d) 12.000
- Locking Method No Locking
- Material Acetal
Product Compliance and Data
Additional Resources
Cross References
- A 6M 7MHZ09523
- A6M7MHZ09523


