
Miniature Bearings Australia
RRT-093 - Datasheet
MBA
Category Information
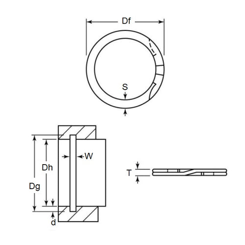
Retaining Rings - Internal - Spiral Rings - Medium-Heavy Duty - Carbon SteelCarbon Steel Medium-Heavy Duty Spiral Rings Internal Retaining Rings. Includes Series AMI / WHT / Spirolox RRT - Spring Steel
- An expanded range may be available on special order. Please enquire.
- Originally designed to fit NAS50-51 grooves, this series is a popular OEM specification.
- This two/three turn design is easier to install than the heavy duty RRN option.
- Equivalent to Associated Spring: AMI, Smalley: WHT, Spirolox and Ramsey: RRT
Product Data
- Housing Bore (B)
:
23.83
mm
(Equiv. 0.938 in.) - Clip Thickness (T)
1.07
mm
+/- 0.05
(Equiv. 0.042 in.) - Groove Dia. (Dg)
25.12
mm
(Equiv. 0.989 in.) - Approx. Loose Circlip OD (Dr) 25.31 mm + 0.33 / - 0.00
- Radial Wall (S) Approx. 1.91 mm +/- 0.11
- Groove Width (W) 1.21 mm +/- 0.08
- Approx. Loose Clip ID 21.49 +/- 0.04
- Groove Depth (d) 0.66
- Material Carbon Spring Steel
Product Compliance and Data
Additional Resources
Cross References
- Associated Spring® AMI-093
- Huyett® RRT-093
- Smalley® WHT-093
- WHT093
- AMI093


