
Miniature Bearings Australia
BP0238-0318-0508-BSTH2 - Datasheet
MBA
Category Information
Bushes - Unflanged - Bronze - SinteredSintered Bronze Unflanged Bushes. Oil impregnated sintered bronze bushes.
- An expanded range may be available on special order. Please enquire.
- Precision items show an allowable Load Speed Rating in Newtons times RPM.
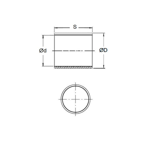
Product Data
- Nominal Inside Diameter (d)
:
23.813
mm
+ 0.038 / + 0.064
(Equiv. 0.938 in.) - Nominal Outside Diameter (D)
31.750
mm
+ 0.076 / + 0.102
(Equiv. 1.25 in.) - Length (s)
50.800
mm
+/- 0.190
(Equiv. 2 in.) - Material Bronze SAE 841 Sintered
Product Compliance and Data
Additional Resources
- DU Bush Material Information
- General Bushes Catalogue
- Sintered Bronze Products Catalogue
- Solid Bronze Bushes catalogue
Cross References
- Oilite AA1216
- Oilite AA-1216
- Oilube AA-1216
- Bunting B-1520-16
- Oilube B-1520-16
- Symmco SS-3040-32
- BP023803180508BSHH
- BP023803180508BSH1
- BP023803180508BSHH1
- A7B4SP304016
- A7B4-SP304016
- B152016
- SS304032


