
Miniature Bearings Australia
BP0238-0318-0381-BSTH2 - Datasheet
MBA
Category Information
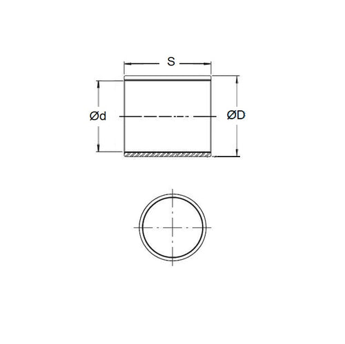
Bushes - Unflanged - Bronze - SinteredSintered Bronze Unflanged Bushes. Oil impregnated sintered bronze bushes.
- An expanded range may be available on special order. Please enquire.
- Precision items show an allowable Load Speed Rating in Newtons times RPM.
Product Data
- Nominal Inside Diameter (d)
:
23.813
mm
+ 0.038 / + 0.064
(Equiv. 0.938 in.) - Nominal Outside Diameter (D)
31.750
mm
+ 0.076 / + 0.102
(Equiv. 1.25 in.) - Length (s)
38.100
mm
+/- 0.127
(Equiv. 1.5 in.) - Material Bronze SAE 841 Sintered
Product Compliance and Data
Additional Resources
- DU Bush Material Information
- General Bushes Catalogue
- Sintered Bronze Products Catalogue
- Solid Bronze Bushes catalogue
Cross References
- 6391K648
- Oilite AA1216-3
- Oilube AA1216-3
- Bunting B-1520-12
- Oilube B-1520-12
- Symmco SS-3040-24
- BP023803180381BSHH
- BP023803180381BSHH1
- BP023803180381BSH1
- SS304024
- B152012
- A7B4SP304012
- A7B4-SP304012
- AA12163


