
Miniature Bearings Australia
BP0238-0302-0254-BSTT - Datasheet
MBA
Category Information
Bushes - Unflanged - Bronze - SinteredSintered Bronze Unflanged Bushes. Oil impregnated sintered bronze bushes.
- An expanded range may be available on special order. Please enquire.
- Precision items show an allowable Load Speed Rating in Newtons times RPM.
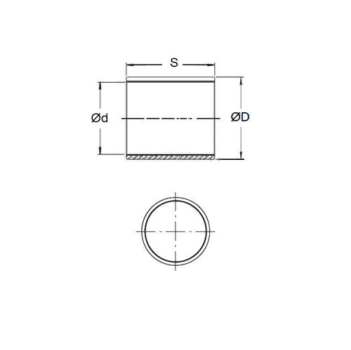
Product Data
- Nominal Inside Diameter (d)
:
23.813
mm
+ 0.038 / + 0.064
(Equiv. 0.938 in.) - Nominal Outside Diameter (D)
30.163
mm
+ 0.038 / + 0.064
(Equiv. 1.188 in.) - Length (s)
25.400
mm
+/- 0.127
(Equiv. 1 in.) - Material Bronze SAE 841 Sintered
Product Compliance and Data
Additional Resources
- DU Bush Material Information
- General Bushes Catalogue
- Sintered Bronze Products Catalogue
- Solid Bronze Bushes catalogue
Cross References
- Bunting B-1519-8
- Oilube B-1519-8
- Symmco SS-3038-16
- BP023803020254BSH
- BP023803020254BSHH
- A7B4SP303808
- A7B4-SP303808
- B15198
- SS303816


