
Miniature Bearings Australia
GE-02200-03700-ST-OH - Datasheet
MBA
Category Information
Bushings - Spherical - Steel - With Oil HoleWith Oil Hole Steel Spherical Bushings. Steel spherical plain bearings. Also known as ball bushings.
- Compensates for axial loads and misalignment.
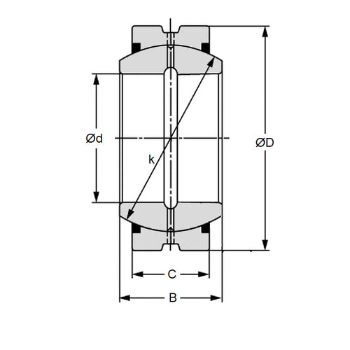
Product Data
- Bore (d1)
:
22.000
mm
(Equiv. 0.866 in.) - OD (d2)
37.000
mm
(Equiv. 1.457 in.) - Width (B)
19.000
mm
(Equiv. 0.748 in.) - Outer Width (C) 16.00 mm
- Dynamic Load Capacity 5120 kgf
- Static Load Capacity 30700 kgf
- Features No Wiper Seals / With Oil Hole
- Material Steel
Product Compliance and Data
Additional Resources
Cross References
- Nachi SB-22A
- IKO SB-22-A
- SB22A



