
Miniature Bearings Australia
GE-22000-32000-ST-OH-W - Datasheet
MBA
Category Information
Bushings - Spherical - Steel - With Oil Hole and Wiper SealWith Oil Hole and Wiper Seal Steel Spherical Bushings. Steel spherical plain bearings. Also known as ball bushings.
- Compensates for axial loads and misalignment.
Product Data
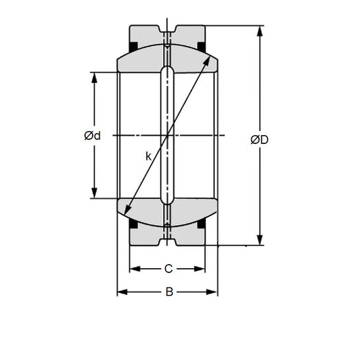
- Bore (d1)
:
220.000
mm
(Equiv. 8.661 in.) - OD (d2)
320.000
mm
(Equiv. 12.598 in.) - Width (B)
135.000
mm
(Equiv. 5.315 in.) - Outer Width (C) 100.00 mm
- Dynamic Load Capacity 275000 kgf
- Static Load Capacity 1650000 kgf
- Features With Wiper Seals / With Oil Hole
- Material Steel
Product Compliance and Data
Additional Resources
Cross References
- Nachi GE-220ES-2RS
- IKO GE220ES-2RS
- Nachi GE-220ES-RS
- IKO GE220ES-RS
- GE220ES2RS
- GE220ESRS



