
Miniature Bearings Australia
SP1-095-057B-022-PB-C - Datasheet
MBA
Category Information
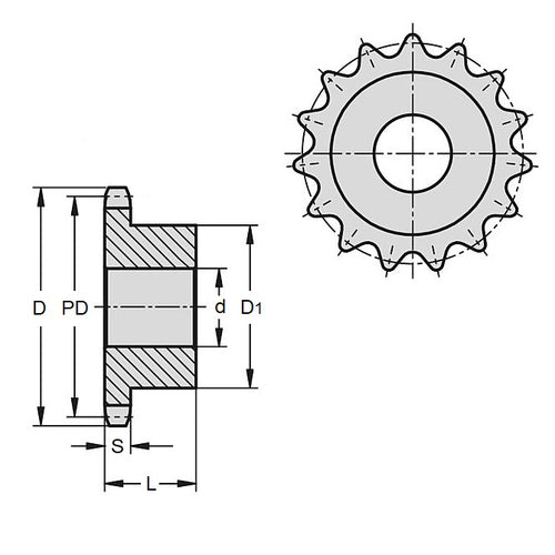
Sprockets - Roller Chain - Simplex - 06B - With Boss - Carbon Steel Plain BoreCarbon Steel Plain Bore With Boss 06B Simplex Roller Chain Sprockets. Match with 9.53x5.7mm steel chain (06B BS)
- This category will be discontinued when the remaining items are sold.
- All items are priced to quit.
- Backorders or orders for previously listed items in the category may still be possible - please enquire.
- Pilot bored sprockets come with a very small bore that will need to be machined by the customer to suit their shaft size.
- British Standard 06B - 3/8 inch
Product Data
Deleted Item. Available while stocks last.
Please contact us first if you wish to use this item in a new design so we can check whether production can be resumed.
- Number of Teeth : 22
- PCD
66.68
mm
(Equiv. 2.625 in.) - Hub Diameter (D1)
50.00
mm
(Equiv. 1.969 in.) - Overall Width (E) 28.00 mm
- Standard Number 06B-1
- Type / Rows Type 3
- Bore (d) 12.00
- Locking Method No Locking
- Material Carbon Steel
Product Compliance and Data
Additional Resources
Cross References
- Sprocket 06B-1-22T
- 2302K12


