
Miniature Bearings Australia
SLQ-2225-3334-10160-T - Datasheet
MBA
Category Information
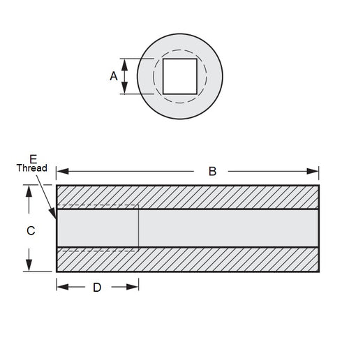
Sleeves - Square Hole - Threaded - Carbon SteelCarbon Steel Threaded Square Hole Sleeves. Square and concentric to 0.076mm (0.003in). Threaded.
- Precisely machined, round outer surface and a uniform, precisely square-shaped hole completely through its center.
 
Product Data
- Nominal Square Size 
:
22.352
mm
+/- 0.0254
(Equiv. 0.88 in.) - Outside Diameter (C) 
33.338
mm
(Equiv. 1.313 in.) - Length (B) 
101.600
mm
(Equiv. 4 in.) - Actual Square Size (A) 22.225 mm
 - Thread Depth (D) 25.400 mm
 - Thread Size 1in UNS (25.400mm)
 - Material Carbon Steel 11L17
 
Product Compliance and Data
Additional Resources
Cross References
- SHS75
 - SHS-75
 - A7C19-T087
 - A7C19T087
 


