
Miniature Bearings Australia
CF-2223-0714-2580-440 - Datasheet
MBA
Category Information
Cam Followers - Miniature - StandardStandard Miniature Cam Followers. Stainless steel ball type cam followers.
- This category will be discontinued when this item is sold.
- This item is priced to quit.
- Backorders or orders for previously listed items in the category will only be available for very large orders.
Product Data
Deleted Item. Available while stocks last.
Please contact us first if you wish to use this item in a new design so we can check whether production can be resumed.
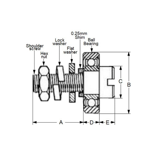
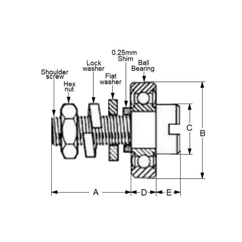
- Outside Diameter (B)
:
22.23
mm
(Equiv. 0.875 in.) - Length (A+D+E)
25.80
mm
(Equiv. 1.016 in.) - Thread Length (A)
17.07
mm
(Equiv. 0.672 in.) - Thread Size 1/4-20
- Height of Screw Head (E) 1.59 mm
- Bearing Width (D) 7.142 mm
- Material Stainless Steel AISI 440C
Product Compliance and Data
Additional Resources
Cross References
- A 7Y 5-CF8737
- A7Y5-CF8737
- A7Y5CF8737


