
Miniature Bearings Australia
BP0222-0318-0508-BSHH - Datasheet
MBA
Category Information
Bushes - Unflanged - Bronze - SinteredSintered Bronze Unflanged Bushes. Oil impregnated sintered bronze bushes.
- An expanded range may be available on special order. Please enquire.
- Precision items show an allowable Load Speed Rating in Newtons times RPM.
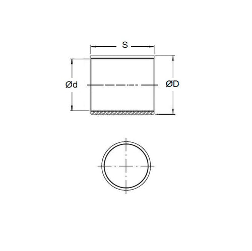
Product Data
- Nominal Inside Diameter (d)
:
22.225
mm
+ 0.051 / + 0.076
(Equiv. 0.875 in.) - Nominal Outside Diameter (D)
31.750
mm
+ 0.051 / + 0.076
(Equiv. 1.25 in.) - Length (s)
50.800
mm
+/- 0.190
(Equiv. 2 in.) - Material Bronze SAE 841 Sintered
Product Compliance and Data
Additional Resources
- DU Bush Material Information
- General Bushes Catalogue
- Sintered Bronze Products Catalogue
- Solid Bronze Bushes catalogue
Cross References
- Bunting B-1420-16
- Symmco SS-2840-32
- BP022203180508BS
- BP022203180508BSH
- A7B4SP284016
- A7B4-SP284016
- B142016
- SS284032


