
Miniature Bearings Australia
BF0222-0286-0191-BS3832TH - Datasheet
MBA
Category Information
Bushes - Flanged - Bronze - SinteredSintered Bronze Flanged Bushes. Oil impregnated flanged sintered bronze bushes.
- An expanded range may be available on special order. Please enquire.
- Precision items show an allowable Load Speed Rating in Newtons times RPM.
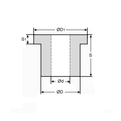
Product Data
- Nominal Inside Diameter (d)
:
22.225
mm
+ 0.025 / + 0.051
(Equiv. 0.875 in.) - Nominal Outside Diameter (D)
28.575
mm
+ 0.051 / + 0.076
(Equiv. 1.125 in.) - Length (s)
19.050
mm
+/- 0.127
(Equiv. 0.75 in.) - Flange OD (D1) 38.10 mm
- Flange Thickness (S1) 3.18 mm
- Comments ISO2795
- Material Bronze SAE 841 Sintered
Product Compliance and Data
Additional Resources
- DU Bush Material Information
- General Bushes Catalogue
- Sintered Bronze Products Catalogue
- Solid Bronze Bushes catalogue
Cross References
- 6338K479
- Oilite FF-1102-4
- Oilube FF-1102-4
- Oilite FL-089-06
- BF022202860191BS
- FL08906
- FF11024


