
Miniature Bearings Australia
BP0222-0270-0318-BSHH - Datasheet
MBA
Category Information
Bushes - Unflanged - Bronze - SinteredSintered Bronze Unflanged Bushes. Oil impregnated sintered bronze bushes.
- An expanded range may be available on special order. Please enquire.
- Precision items show an allowable Load Speed Rating in Newtons times RPM.
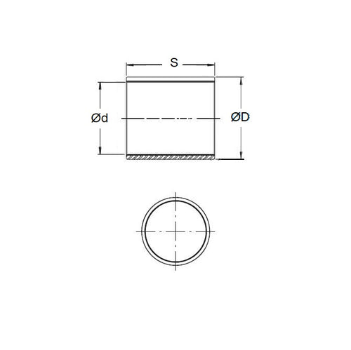
Product Data
- Nominal Inside Diameter (d)
:
22.225
mm
+ 0.051 / + 0.076
(Equiv. 0.875 in.) - Nominal Outside Diameter (D)
26.988
mm
+ 0.051 / + 0.076
(Equiv. 1.063 in.) - Length (s)
31.750
mm
+/- 0.127
(Equiv. 1.25 in.) - Material Bronze SAE 841 Sintered
Product Compliance and Data
Additional Resources
- DU Bush Material Information
- General Bushes Catalogue
- Sintered Bronze Products Catalogue
- Solid Bronze Bushes catalogue
Cross References
- Bunting EP141720
- Daemar P-88-10
- Symmco SS-2834-20
- P8810
- BP022202700318BS
- BP022202700318BSH
- A7B4SP283410
- A7B4-SP283410
- SS283420


