
Miniature Bearings Australia
NCF25RS - Datasheet
MBA
Category Information
Cam Followers - Bronze Bushing Self LubricatingBronze Bushing Self Lubricating Cam Followers. This is the main category in this series
Product Data
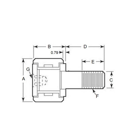
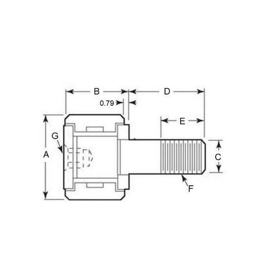
- Diameter (A)
:
22.225
mm
(Equiv. 0.875 in.) - Length
34.925
mm
(Equiv. 1.375 in.) - Thread (F) 3/8-24 UNF
- Thread Length (E) 9.525 mm
- Roller Width (B) 12.700 mm
- Material Steel and Bronze
Product Compliance and Data
Additional Resources
Cross References
- NCF-25
- NCF25



