
Miniature Bearings Australia
NCF110RS - Datasheet
MBA
Category Information
Roller Followers - Self LubricatingSelf Lubricating Roller Followers. This is the main category in this series
Product Data
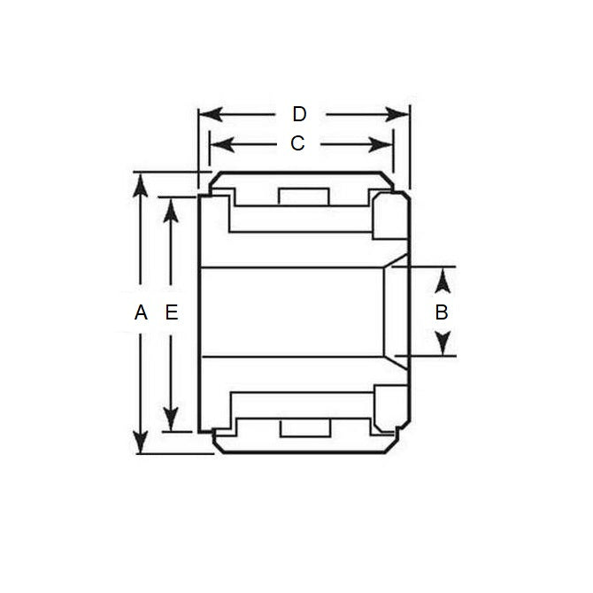
- Diameter (A) : 22.225
- Overall Width (D) 14.288
- Bore (B) 6.350
- Width (C) 12.700
- Load Factor 0.190
- Material Steel
Product Compliance and Data
Additional Resources
Cross References
- NCF110
- NCF-110



