
Miniature Bearings Australia
RPO-221-224-C - Datasheet
MBA
Category Information
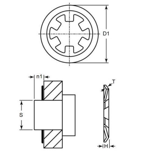
Retaining Rings - Push On - Carbon SteelCarbon Steel Push On Retaining Rings. M1465 / DTX / Seeger ZA and KS.
- An expanded range may be available on special order. Please enquire.
- Thrust load shown is calculated for ideal conditions with mild steel shaft.
- If no thrust load is shown, testing is suggested.
Product Data
- Min shaft size (s1)
:
22.10
mm
(Equiv. 0.87 in.) - Max Shaft Size (s2)
22.35
mm
(Equiv. 0.88 in.) - Outside diameter (D1)
30.56
mm
(Equiv. 1.203 in.) - Min shaft extension (n1) 2.74 mm
- Height (H) Max. 1.37 mm
- Material Thickness (t) 0.38 mm
- Approx. Thrust Load 62 kg
- Material Carbon Steel
Product Compliance and Data
Additional Resources
Cross References
- Waldes 5115-087
- 98430A154
- NoCor TX-087
- Rotor Clip TX-087
- N1465-087
- N1465087
- N1465-0087
- N14650087APP
- N1465-0087APP
- TX087
- 5115087



