
Miniature Bearings Australia
RPO-222-223-C - Datasheet
MBA
Category Information
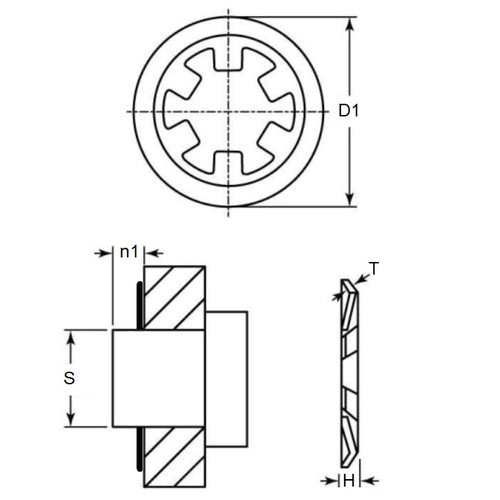
Retaining Rings - Push On - Carbon SteelCarbon Steel Push On Retaining Rings. M1465 / DTX / Seeger ZA and KS.
- An expanded range may be available on special order. Please enquire.
- Thrust load shown is calculated for ideal conditions with mild steel shaft.
- If no thrust load is shown, testing is suggested.
Product Data
- Min shaft size (s1)
:
22.17
mm
(Equiv. 0.873 in.) - Max Shaft Size (s2)
22.28
mm
(Equiv. 0.877 in.) - Outside diameter (D1)
28.58
mm
(Equiv. 1.125 in.) - Min shaft extension (n1) 1.52 mm
- Material Thickness (t) 1.52 mm
- Material Carbon Steel
Product Compliance and Data
Additional Resources
Cross References
- Waldes 5105-087
- IRR 6100-087
- Small Parts RSE-14
- NoCor TY-087
- Rotor Clip TY-087
- TY087
- RSE14
- 6100087
- 5105087



