
Miniature Bearings Australia
RPI-221-223-C - Datasheet
MBA
Category Information
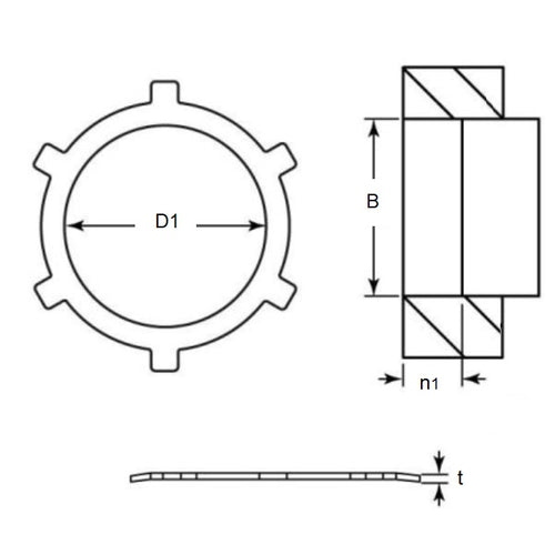
Retaining Rings - Push In Carbon SteelPush In Carbon Steel Retaining Rings. Thrust load shown is calculated for ideal conditions with mild steel bore.
Product Data
- Housing Bore (B) Min
:
22.17
mm
(Equiv. 0.873 in.) - Housing Bore (B) Max
22.28
mm
(Equiv. 0.877 in.) - Inside Clearance (D1)
15.88
mm
+ / - 0.26
(Equiv. 0.625 in.) - Thickness (t) 0.38 mm +/- 0.06
- Recommended Depth (n1) 1.52 mm
- Thrust Load 968 kg.cm
- Material Carbon Spring Steel Self Finish
Product Compliance and Data
Additional Resources
Cross References
- 98435A131
- Truarc C27208
- Small Parts RSI-14
- NoCor TI-087
- TI087
- N1305-0087-APP
- N13050087APP
- N1305-0087APP
- RSI14


