
Miniature Bearings Australia
P-050H-020-090SF-AL-G-060 - Datasheet
MBA
Category Information
Pulleys - Metric Timing - 5.000mm Pitch - HTD - 9mm Wide - MetallicMetallic 9mm Wide HTD 5.000mm Pitch Metric Timing Pulleys. Timing Pulleys to suit HTD 5.000mm Pitch Timing Belts. Suits belts 9.0 to 9.6mm wide.
- Timing pulleys combined with timing belts, provide power transmission without slippage.
- Timing pulleys are toothed pulleys used with timing belts to synchronize the movement of different mechanical components, ensuring precise timing and coordination.
- Some uses for timing pulleys include 3D printers, CNC machines, robotics and automation components, textile machinery, office equipment such as scanners and copiers, and medical devices requiring precise movement control.
Product Data
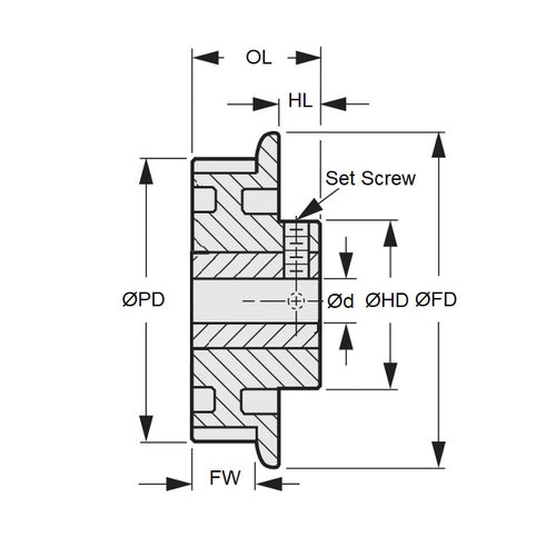
- Number of Teeth : 20
- Max Belt Width
9.00
mm
(Equiv. 0.354 in.) - Bore (d)
6.000
mm
(Equiv. 0.236 in.) - Bore Type Finished
- Locking Type Set Screw M4x6
- Type Single Flange (Hub) - Special
- Pitch Dia. (PD) 31.82 mm
- Flange Diameter (FD) 34.9 mm
- Overall Length 19.1 mm
- Hub Diameter (HD) 19.1
- Material Aluminium
Product Compliance and Data
Additional Resources
View full details


