
Miniature Bearings Australia
GE-02000-03200-ST-OH-SP - Datasheet
MBA
Category Information
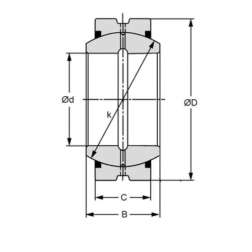
Bushings - Spherical - Steel - With Oil HoleWith Oil Hole Steel Spherical Bushings. Steel spherical plain bearings. Also known as ball bushings.
- Compensates for axial loads and misalignment.
Product Data
- Bore (d1)
:
20.000
mm
(Equiv. 0.787 in.) - OD (d2)
32.000
mm
(Equiv. 1.26 in.) - Width (B)
16.000
mm
(Equiv. 0.63 in.) - Outer Width (C) 14.00 mm
- Dynamic Load Capacity 3920 kgf
- Static Load Capacity 23500 kgf
- Features Spring and oil Hole on OD
- Material Steel
Product Compliance and Data
Additional Resources
Cross References
- IKO SB-203216
- SB203216



