
Miniature Bearings Australia
BP0206-0270-0318-BSTT - Datasheet
MBA
Category Information
Bushes - Unflanged - Bronze - SinteredSintered Bronze Unflanged Bushes. Oil impregnated sintered bronze bushes.
- An expanded range may be available on special order. Please enquire.
- Precision items show an allowable Load Speed Rating in Newtons times RPM.
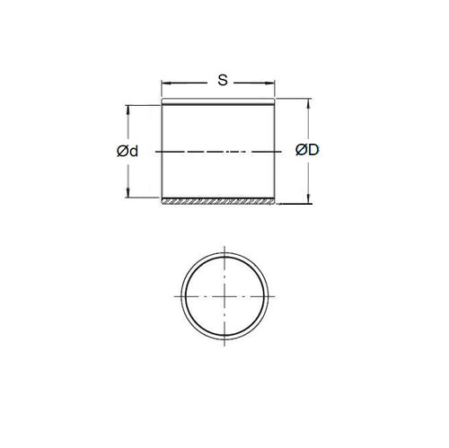
Product Data
- Nominal Inside Diameter (d)
:
20.638
mm
+ 0.038 / + 0.064
(Equiv. 0.813 in.) - Nominal Outside Diameter (D)
26.988
mm
+ 0.038 / + 0.064
(Equiv. 1.063 in.) - Length (s)
31.750
mm
+/- 0.127
(Equiv. 1.25 in.) - Material Bronze SAE 841 Sintered
Product Compliance and Data
Additional Resources
- DU Bush Material Information
- General Bushes Catalogue
- Sintered Bronze Products Catalogue
- Solid Bronze Bushes catalogue
Cross References
- BP020602700318BSHH
- A7B4SP263410
- A7B4-SP263410


