
Miniature Bearings Australia
GM-051-D10-127-C - Datasheet
MBA
Category Information
Gears - Mitre - 10DP Steel10DP Steel Mitre Gears. 1:1 Ratio. 20 Degree Pressure Angle - Carbon steel
- An expanded range may be available on special order. Please enquire.
- Mitre gears are used with a matching gear of the same pitch and number of teeth.
- This provides a 1 to 1 ratio on a 90 Degree angle.
- See Gears - Bevel for other ratios.
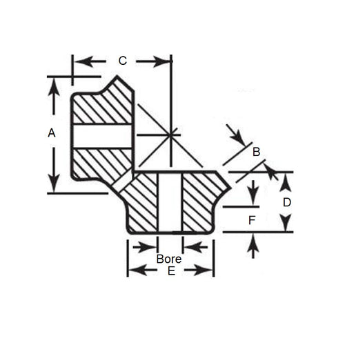
Product Data
- Number of Teeth : 20
- Pitch Diameter (pd)
50.800
mm
(Equiv. 2 in.) - Bore (d)
12.700
mm
(Equiv. 0.5 in.) - Overall Length (L) 34.646 mm
- Hub Diameter (hd) 41.148 mm
- Each
- Hub Projection (F) 20.574 mm
- Mounting Distance (C) 50.800 mm
- Face Width (B) 11.430 mm
- Material Steel
Product Compliance and Data
Additional Resources
Cross References
- BOSTON L128Y
- GE-128
- GE128


