
Miniature Bearings Australia
GC-200-150-270-E - Datasheet
MBA
Category Information
Grommets - EPDM Rubber - ClosedClosed EPDM Rubber Grommets. Closed EPDM Rubber Grommets
- This category will be discontinued when the remaining items are sold.
- All items are priced to quit.
- Backorders or orders for previously listed items in the category will only be available for very large orders.
- 50 +/-5 Durometer
- Dustproof with Approx 0.5mm thick Membrane
- Easy to Install
- Dust protection
- Also see snap bushings for a hard plastic product serving a similar purpose
Product Data
Deleted Item. Available while stocks last.
Please contact us first if you wish to use this item in a new design so we can check whether production can be resumed.
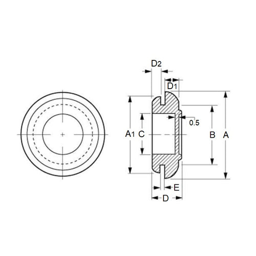
- Plate Hole Diameter (B)
:
20.00
mm
(Equiv. 0.787 in.) - Inside Diameter (C)
15.00
mm
(Equiv. 0.591 in.) - Outside Diameter (A)
27.00
mm
(Equiv. 1.063 in.) - Outside Diameter (A1) 24.00 mm
- Thickness (D) 9.10 mm
- Material EPDM
Product Compliance and Data
Additional Resources
Cross References
- V12R33M27009116


