
Miniature Bearings Australia
REF-200-L-CB-F - Datasheet
MBA
Category Information
Rod Ends - Female - Steel - Plain - Bronze LinedBronze Lined Plain Steel Female Rod Ends. Imperial and Metric / Carbon Steel. Also known as Heim Joints
- An expanded range may be available on special order. Please enquire.
- Dimensions not shown are available on request.
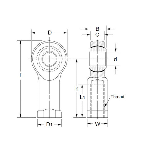
Product Data
- Eye Size (d1)
:
20
mm
(Equiv. 0.787 in.) - Overall Length (L)
100.00
mm
(Equiv. 3.937 in.) - Thread Size (T) M20x1.5 Left
- Thread Length (l2) 40.00 mm
- Head Width (W) 18.00 mm
- Eye Width (W1) 25.00 mm
- Head Diameter (D) 46.00 mm
- Centre Height (l1) 77.00 mm
- Grease Nipple Yes
- Body Width/Flange Width(W2/D3) 32.00 / 37.00 mm
- Material Bronze Lined Steel
Product Compliance and Data
Additional Resources
Cross References
- ASAHI JAF20L
- KWK KF20L
- IKO PHS20L
- Nachi PHS-20L
- NTN SFI-20L
- SFI20L



