
Miniature Bearings Australia
RPO-029-031-C - Datasheet
MBA
Category Information
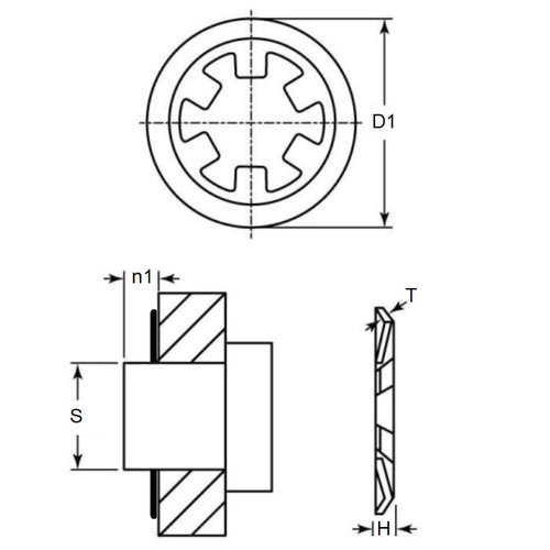
Retaining Rings - Push On - Carbon SteelCarbon Steel Push On Retaining Rings. M1465 / DTX / Seeger ZA and KS.
- An expanded range may be available on special order. Please enquire.
- Thrust load shown is calculated for ideal conditions with mild steel shaft.
- If no thrust load is shown, testing is suggested.
Product Data
- Min shaft size (s1)
:
2.90
mm
(Equiv. 0.114 in.) - Max Shaft Size (s2)
3.10
mm
(Equiv. 0.122 in.) - Outside diameter (D1)
9.10
mm
(Equiv. 0.358 in.) - Min shaft extension (n1) 1.60 mm
- Height (H) Max. 0.80 mm
- Material Thickness (t) 0.25 mm
- Approx. Thrust Load 20 kg
- Material Carbon Steel
Product Compliance and Data
Additional Resources
Cross References
- NoCor DTX-003
- DTX003
- M14650030
- M1465-0030APP
- M14650030APP



