
Miniature Bearings Australia
W0028-SH-007-020-N - Datasheet
MBA
Category Information
Washers - Shoulder - NylonNylon Shoulder Washers. This is the main category in this series.
- Shoulder washers are used to insulate fasteners, wires or shafts from moisture and electricity.
- Also known as an insulator or top hat washers. All items are priced to quit.
- Backorders or orders for previously listed items in the category may still be possible - please enquire.
Product Data
Deleted Item. Available while stocks last.
Please contact us first if you wish to use this item in a new design so we can check whether production can be resumed.
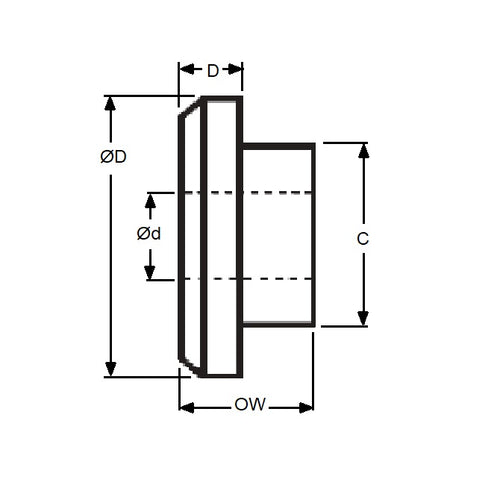
- Nominal Inside Diameter
:
2.84
mm
(Equiv. 0.112 in.) - Outside Diameter (OD)
7.137
mm
(Equiv. 0.281 in.) - Overall Width
2.03
mm
(Equiv. 0.08 in.) - Flange Thickness (D) 1.016 mm
- Shoulder Diameter (C) 4.75 mm
- Screw Size 4 (UNC/UNF)
- Material Nylon (Zytel 101)
Product Compliance and Data
Additional Resources
Cross References
- A9M68-0904
- A9M680904
- A 9M68-0904


