Miniature Bearings Australia - MBA Minibearings
Miniature Bearings Australia

CC-027-032-C - Datasheet

MBA

Category Information

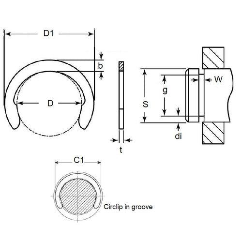
Retaining Rings - Crescent

Crescent Retaining Rings. Variation of an E-Clip with an open face. Also known as a C-Clip.

  • Narrow section height provides good clearance capabilities.
  • Absence of teeth and deep set mean less thrust load ratings than e-clips.
  • For best results install using the recommended applicator tool.

Product Data

  • Groove Diameter (G) : 2.69 mm
    (Equiv. 0.106 in.)
  • Shaft Diameter (S) 3.18 mm
    (Equiv. 0.125 in.)
  • Thickness (t) 0.38 mm
    (Equiv. 0.015 in.)
  • Clip OD in groove (C1) 4.57 mm
  • Clip OD Loose (D1) 4.19 mm
  • Groove Width (W) 0.46
  • Material Carbon Spring Steel Self Finish
Country of Origin: US

Product Compliance and Data

Additional Resources

    Cross References

    • Military 16632-012
    • Military 16632-012/B
    • Military 16632-012-B
    • Waldes 5103-012
    • Waldes 5103-012/B
    • Waldes 5103-012-B
    • Ellison 9103-012
    • Ellison 9103-012/B
    • Ellison 9103-012-B
    • NoCor C-012
    • Rotor Clip C-012
    • NoCor C-012/B
    • Rotor Clip C-012/B
    • NoCor C-012-B
    • Rotor Clip C-012-B
    • N1800012
    • N1800-012-B
    • N1800012B
    • N1800-012/B
    • N18000012APP
    • N1800-0012APP
    • N1800012/B
    • 16632012
    • 16632012B
    • 16632012/B
    • 9103012B
    • 9103012/B
    • 5103012/B
    • 5103012B
    • C012/B
    • C012B
    View full details