
Miniature Bearings Australia
BF0025-0060-0030-BS0915LT - Datasheet
MBA
Category Information
Bushes - Flanged - Bronze - SinteredSintered Bronze Flanged Bushes. Oil impregnated flanged sintered bronze bushes.
- An expanded range may be available on special order. Please enquire.
- Precision items show an allowable Load Speed Rating in Newtons times RPM.
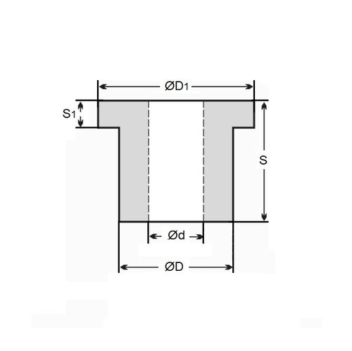
Product Data
- Nominal Inside Diameter (d)
:
2.500
mm
+ 0.014 / + 0.024
(Equiv. 0.098 in.) - Nominal Outside Diameter (D)
6.000
mm
+ 0.021 / + 0.046
(Equiv. 0.236 in.) - Length (s)
3.000
mm
+/- 0.127
(Equiv. 0.118 in.) - Flange OD (D1) 9.00 mm
- Flange Thickness (S1) 1.50 mm
- Material Bronze SAE 841 Sintered
Product Compliance and Data
Additional Resources
- DU Bush Material Information
- General Bushes Catalogue
- Sintered Bronze Products Catalogue
- Solid Bronze Bushes catalogue
Cross References
- BF002500600030BS
- BF002500600030BSLL
- BF002500600030BSLT
- A7B4MFH20603


