
Miniature Bearings Australia
NT022C-THC-S3 - Datasheet
MBA
Category Information
Nuts - Thumb - Collared - StainlessStainless Collared Thumb Nuts. This is the main category in this series
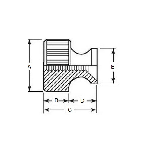
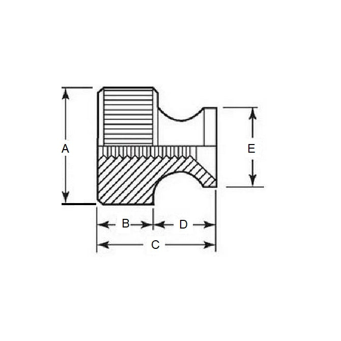
Product Data
- Thread Size : 2-56 UNC (2.18mm)
- Overall Length (C)
6.4
mm
(Equiv. 0.252 in.) - Head Width (B)
3.18
mm
(Equiv. 0.125 in.) - Head Diameter (A) 6.35 mm
- Collar Diameter (E) 4.76 mm
- Collar Height (D) 3.18 mm
- Material Stainless Steel 303 (Similar to A2, 304, 18-8)
Product Compliance and Data
Additional Resources
Cross References
- 95150A110
- AJ-743
- AJ743



