
Miniature Bearings Australia
PUI024-0270-048-ZB-RS - Datasheet
MBA
Category Information
Pulleys - U Groove Idler - Single Row - SteelSteel Single Row U Groove Idler Pulleys. Steel with Steel Ball Bearings
- Use with round belts such as Round Seamless Urethane or O-Rings
- Also used to run on round shafting or curved tracks
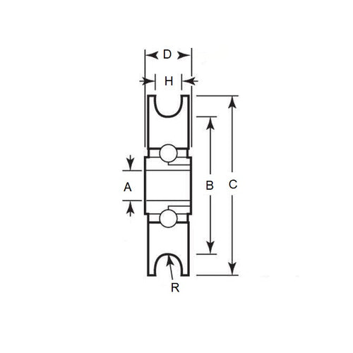
Product Data
- Maximum Cable Diameter (H)
:
2.38
mm
(Equiv. 0.094 in.) - Outside Diameter (OD)
26.99
mm
(Equiv. 1.063 in.) - Bore (A)
4.763
mm
(Equiv. 0.188 in.) - Body Width 6.35 mm
- Overall Width (OAL) 7.14
- Dia. to Base of Groove (B) 22.23 mm
- Type Precision Shielded Ball Bearing - Hardened Raceway - Heavy Duty
- Groove Radius (R) 1.32
- Material Steel
Product Compliance and Data
Additional Resources
Cross References
- 3434T22
- CBL-980
- CBL980
- A6C901706
- A6C9-01706


