
Miniature Bearings Australia
DS-4RS - Datasheet
MBA
Category Information
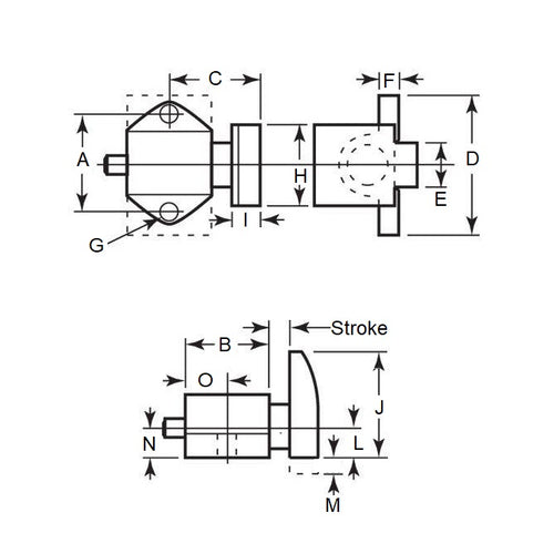
Stops - Spring - Flat Face - With TangWith Tang Flat Face Spring Stops. Flat faced with a tang prevents thin gauge material from sliding under plunger.
- Spring stops are used extensively in the locating of parts in jigs and fixtures, particularly where fixture walls are not available.
- Properly radiused nose for perfect fit with no wobble.
- Plunger is case hardened low carbon steel. Aluminium body.
Product Data
- Initial End Force : 2.33 Kg
- Final End Force 6.61 Kg
- Stroke 
3.18
mm
 (Equiv. 0.125 in.)
- A 16.67 mm
- B 17.46 mm
- C 16.67 mm
- D 22.23 mm
- F 4.76 mm
- G No.29 mm
- H 15.88 mm
- E / I / J / L / M / N / O 6.35 / 4.76 / 15.88 / 5.16 / 6.35 / 5.56 / 8.73 mm
- Base Style Trianglular
Product Compliance and Data
Additional Resources
 
 
 


