
Miniature Bearings Australia
RPO-023-025-C - Datasheet
MBA
Category Information
Retaining Rings - Push On - Carbon SteelCarbon Steel Push On Retaining Rings. M1465 / DTX / Seeger ZA and KS.
- An expanded range may be available on special order. Please enquire.
- Thrust load shown is calculated for ideal conditions with mild steel shaft.
- If no thrust load is shown, testing is suggested.
Product Data
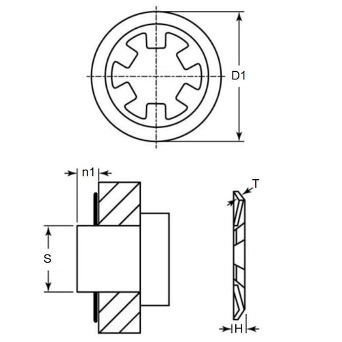
- Min shaft size (s1)
:
2.31
mm
(Equiv. 0.091 in.) - Max Shaft Size (s2)
2.46
mm
(Equiv. 0.097 in.) - Outside diameter (D1)
8.28
mm
(Equiv. 0.326 in.) - Min shaft extension (n1) 1.47 mm
- Height (H) Max. 0.74 mm
- Material Thickness (t) 0.25 mm
- Approx. Thrust Load 10 kg
- Material Carbon Steel
Product Compliance and Data
Additional Resources
Cross References
- Waldes 5115-009
- 98430A114
- NoCor TX-009
- Rotor Clip TX-009
- N14650009APP
- N1465009
- N1465-009
- N1465-0009
- N1465-0009APP
- TX009
- 5115009



