
Miniature Bearings Australia
RT-090-0600-060-280-H - Datasheet
MBA
Category Information
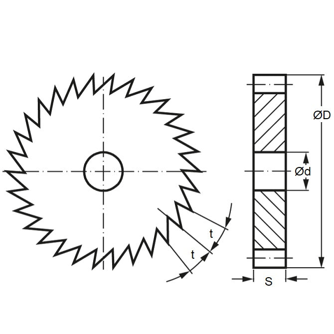
Ratchets and Pawls - Ratchets - Without HubWithout Hub Ratchets Ratchets and Pawls. Match with pawls listed on this site.
- An expanded range may be available on special order. Please enquire.
Product Data
- Pitch : 2.094 CP
- Teeth (No.) 90
- Outside Diameter
60
mm
(Equiv. 2.362 in.) - Bore 28 mm
- Face Width 6 mm
- Total Width 12.00 mm
- Additional Info Pawl ordered separately
- Teeth Depth 1 mm
- Info 8.0x3.3 Keyway
- Material Carbon Steel - Hardened 48-53 HRC
Product Compliance and Data
Additional Resources
Cross References
- SRT2/390J28


