
Miniature Bearings Australia
RT-060-0400-060-150-H - Datasheet
MBA
Category Information
Ratchets and Pawls - Ratchets - Without HubWithout Hub Ratchets Ratchets and Pawls. Match with pawls listed on this site.
- An expanded range may be available on special order. Please enquire.
Product Data
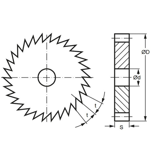
- Pitch : 2.094 CP
- Teeth (No.) 60
- Outside Diameter
40
mm
(Equiv. 1.575 in.) - Bore 15 mm
- Face Width 6 mm
- Total Width 12.00 mm
- Additional Info Pawl ordered separately
- Teeth Depth 1 mm
- Info 5.0x2.3 Keyway
- Material Carbon Steel - Hardened 48-53 HRC
Product Compliance and Data
Additional Resources
Cross References
- SRT2/360J15


