
Miniature Bearings Australia
PUI004-0170-030-AS440 - Datasheet
MBA
Category Information
Pulleys - U Groove Idler - Double Row - AluminiumAluminium Double Row U Groove Idler Pulleys. Aluminium with Stainless Ball Bearings
- Use with round belts such as Round Seamless Urethane or O-Rings
- Also used to run on round shafting or curved tracks
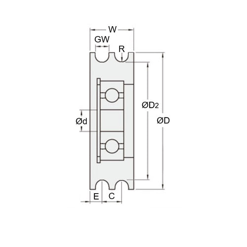
Product Data
- Maximum Cable Diameter (H)
:
2.0
mm
(Equiv. 0.079 in.) - Outside Diameter (OD)
17.0
mm
(Equiv. 0.669 in.) - Bore (A)
3.000
mm
(Equiv. 0.118 in.) - Body Width 9.0 mm
- Overall Width (OAL) 9.0
- Dia. to Base of Groove (B) 13 mm
- Centre Spacing 4
- Type Stainless 440 Shielded Precision Ball Bearing
- Groove Radius (R) 1.1
- Material Aluminium Alloy - Clear Anodized
Product Compliance and Data
Additional Resources
Cross References
- MBXAC1511


