
Miniature Bearings Australia
CP-032-HUB-G-PR-20 - Datasheet
MBA
Category Information
Couplings - Geargrip - Precision HubsPrecision Hubs Geargrip Couplings. Match with sleeves from sleeves category
- An expanded range may be available on special order. Please enquire.
Product Data
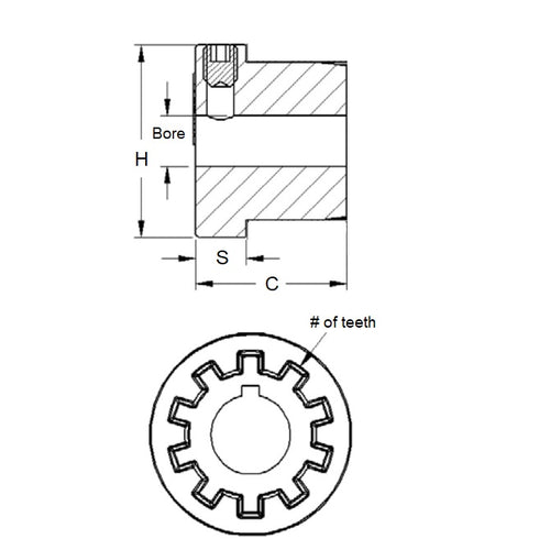
- Bore
:
3.175
mm
(Equiv. 0.125 in.) - Sleeve OD For Sleeve OD 19.81 mm
- Overall Length Assembled When Complete 25.40 mm
- Description Single Hub Only
- Hub Protrusion Assembled 5.588 mm
- Number of Teeth 8 Nr.
- Hub Length 12.700 mm
- Hub Diameter (C) 17.780 mm
Product Compliance and Data
Additional Resources
Cross References
- GU2101
- GU-2101


