
Miniature Bearings Australia
RPO-199-202-C - Datasheet
MBA
Category Information
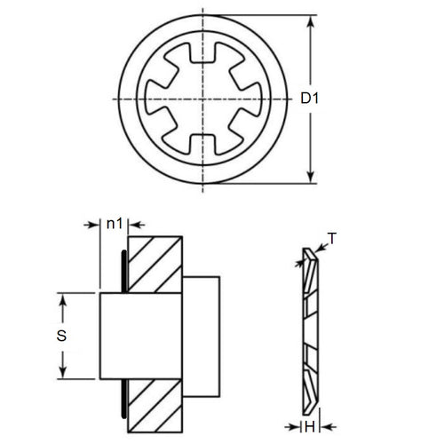
Retaining Rings - Push On - Carbon SteelCarbon Steel Push On Retaining Rings. M1465 / DTX / Seeger ZA and KS.
- An expanded range may be available on special order. Please enquire.
- Thrust load shown is calculated for ideal conditions with mild steel shaft.
- If no thrust load is shown, testing is suggested.
Product Data
- Min shaft size (s1)
:
19.85
mm
(Equiv. 0.781 in.) - Max Shaft Size (s2)
20.15
mm
(Equiv. 0.793 in.) - Outside diameter (D1)
29.00
mm
(Equiv. 1.142 in.) - Min shaft extension (n1) 3.20 mm
- Height (H) Max. 1.60 mm
- Material Thickness (t) 0.50 mm
- Approx. Thrust Load 78 kg
- Material Carbon Steel
Product Compliance and Data
Additional Resources
Cross References
- NoCor DTX-020
- DTX020
- M14650200
- M1465-0200
- M1465-0200APP
- M14650200APP


