
Miniature Bearings Australia
CLP-191-0437-P - Datasheet
MBA
Category Information
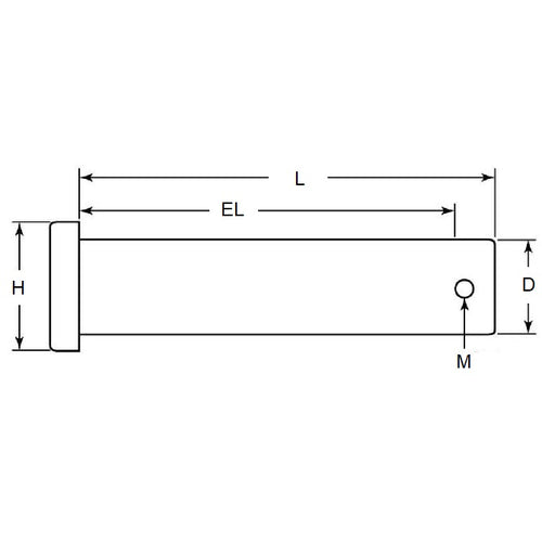
Pins - Clevis - Pin Locking - Low Carbon SteelLow Carbon Steel Pin Locking Clevis Pins. Match with a suitable R-Clip or Spilt Pin - pin size shown in listings
- In addition to retaining parts on a shaft or axle, clevis pins can also be used as light duty axles, spring holders or even fishing line weights.
- Made from low carbon steel
Product Data
Deleted Item. Available while stocks last.
Please contact us first if you wish to use this item in a new design so we can check whether production can be resumed.
- Nominal Pin Diameter (D)
:
19.05
mm
- 0.10 / - 0.28
(Equiv. 0.75 in.) - Grip Length (EL)
43.66
mm
+ 0.51 / - 0.00
(Equiv. 1.719 in.) - Nom. Length (L)
48.41
mm
+ 0.51 / - 0.00
(Equiv. 1.906 in.) - Ret. Pin Dia. (M) 4.0 mm
- Material Carbon Steel - Low Carbon 1010 or 1018 Steel
Product Compliance and Data
Additional Resources
Cross References
- 98306A554
- YP-38
- YP38



