
Miniature Bearings Australia
GE-01905-03175-ST-OH - Datasheet
MBA
Category Information
Bushings - Spherical - Steel - With Oil HoleWith Oil Hole Steel Spherical Bushings. Steel spherical plain bearings. Also known as ball bushings.
- Compensates for axial loads and misalignment.
Product Data
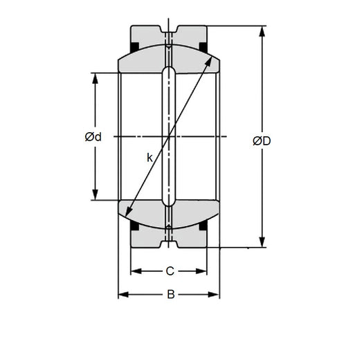
- Bore (d1)
:
19.050
mm
(Equiv. 0.75 in.) - OD (d2)
31.750
mm
(Equiv. 1.25 in.) - Width (B)
16.660
mm
(Equiv. 0.656 in.) - Outer Width (C) 14.27 mm
- Dynamic Load Capacity 3930 kgf
- Static Load Capacity 23600 kgf
- Features No Wiper Seals / With Oil Hole
- Material Steel
Product Compliance and Data
Additional Resources
Cross References
- IKO SBB12
- Nachi SBB-12



